摘要:提出一种激光三角法溢油油膜厚度测量方法与海上应用采样池结构设计,针对石油与柴油搭建光学实验平台进行了油膜厚度测量实验,获得了油膜厚度信息。这种非接触测量方法具有原理简单、测量方便、成本低、精度高等特点,对实现水溶液表面油膜厚度的动态在线测量有重要意义。
关键词:三角法;溢油油膜;厚度测量
1 引言
海洋溢油污染多为事故引起,是海洋污染中影响范围最广,危害时间最长,对生态环境破坏最大的一种。随着海洋运输业和海洋石油开采业的迅猛发展,海上溢油污染日益增多。溢油对生态环境的巨大破坏作用已引起世界各国政府的重视,特别在发达国家,政府投入了大量资金,建立常备的探测系统,对溢油污染进行监测和管理。近年来我国科技工作者利用Landsat-TM和NOAA-AVHRR数据相结合共同监测海面溢油污染取得了成功,但对海面溢油厚度的快速监测手段还没有。美国、加拿大、挪威、法国和荷兰等国对溢油监测的研究也大都集中在卫星和航空遥感上,仅可以确定溢油位置和面积。因此开展溢油油膜厚度测量关键技术研究,进而实现海面溢油油膜厚度的快速测量传感器研制,在油膜厚度测量方面具有广阔的应用前景,结合已有的溢油范围测量手段可以准确估计溢油数量,可以为针对不同程度的溢油事故制定处理方案提供依据,对溢油事故的快速反应具有重要意义。
2 国内外发展现状与趋势
水溶液表面的油膜厚度测量是环境保护、化工分析、油膜动力学研究等领域中一个很重要的问题,已提出多种测量方法。如水拉曼后向散射法、紫外光照射荧光光谱法、微波辐射计法。1999年,Kim等提出利用白光扫描干涉方法测量透明薄膜厚度方法,通过对油薄膜的上下表面的多光束干涉所形成的干涉图进行分析,得到薄膜厚度分布,但由于油的散射原因,使这种方法在油膜厚度测量应用中受到一定的限制。2005年,Changsen Sun提出了利用白光干涉法,通过分析不同油品在水面及空气界面形成的干涉包络的峰值比,进行油品鉴定,由油气界面和油水界面各自所形成的两组干涉条纹峰值间距计算油膜厚度的新方法。但这种技术要求油水界面平坦,适用于透明油层测量。随着激光器技术、CCD、PSD及计算机技术的迅速发展,基于光学三角法的测距技术已日益成熟,并有产品化的测距传感器,其基本机理为激光束投射到被测物面形成的漫反射光作为传感信号,用透镜成像原理将收集到的漫反射光束汇聚到像平面的光接收器上形成像点。当入射光斑随被测物面移动时,成像点在光接收器上做相应移动,根据相移大小和传感器的结构参数可确定被测物面的实时位置。目前已有用于厚度测量的报道,但主要用于金属板的厚度测量。
3 测量光路系统与采样池结构设计
3.1 光路系统设计
激光三角测量方法属于成像测距法,测量精度高、重复性好。基本原理是激光器发出的光线经会聚透镜聚焦后入射到被测物体表面,接收透镜接收来自入射光点处的散射光,并将其成像在探测器CCD上。物体移动将导致入射光点沿入射光轴移动,从而导致其像点在探测器光敏面上移动。根据像移大小和成像系统的结构参数可以确定被测物面的位移量。由于入射光和反射光构成一个三角形,所以称为三角测量法。按入射光线与被测物表面法线的位置关系分为直射式和斜射式两种(图1)。

图1 激光三角法测量原理图
由于激光光束入射被测物面,只有一个准确的调焦位置,其余位置的像点都处于不同程度的离焦状态。离焦将引起像点的弥散,从而降低了系统的测量精度。因此,θ和φ必须满足Scheimpflug条件,即tgθ=mtgφ中,其中斜射式中θ=α+β(α是入射角),m是横向放大率。以保证一定景深范围内的被测点都能聚焦成像在探测器上,以保证测量精度。当入射光斑沿激光束由A点移向B点,其成像点在焦平面内沿直线轨迹移动。直射法可以有较大的测量范围,一般体积小,但不适用反射表面测量。相比于直射法,斜射法分辨率较高,但测量范围较小,体积大,可接收来自被测物体的正反射光。当被测物体为镜面时,不会由于散射光过弱而导致光电探测器输出信号太小,所以综合考虑采用斜射法设计应用于油膜测量。
在图1的斜射法中,激光束以α角度入射于基准面的A处并在该处形成一椭圆形光斑,在基准面A处法线的另一侧,探测器轴线与基准面成β角度,摄取光斑的图像并成像于CCD上的α处。当入射光斑沿激光束由A点移向B点,探测器在不做任何变动的情况下摄取激光照射在被测物面B处的激光光斑而成像于CCD的b处。若α+β≠90°,A和B点相对于探测器的镜头不处于同一物平面上,则在固定的焦距下会导致B点光斑像的弥散,易于造成测量误差。为了消除这一缺点,将取α+β=90°。
若光点在成像面上的位移为h,则被测物面的位移为:

式中:u为激光束光轴和接收透镜光轴的交点到接收透镜前主面的距离;v为接收透镜后主面到成像面中心点的距离。只要测得了h,即可求得d。
3.2 采样池结构设计
油膜厚度的测量其实质就是激光斑点在CCD像面上像点位移的测量问题,测量中必须保持液面的水平程度较好,因此液面波动的抑止方法是三角法能否应用到海上真实环境的关键,为克服海上波浪的影响,根据验潮井原理设计抑止波动的采样池结构,如图2所示。

图2 采样池设计示意图
如图2所示,采样池采用开放式设计,为竖状凹槽,保证浮标在海面随波运动的情况下,油膜均可以顺利进入采样池。通过合理设计布局调整浮标具有合理的重心与浮心,吃水线位置处于测量窗口的中间位置(可根据不同海域的海水密度进行配重调节),当油膜处于测量范围内波动时,便可以对其进行测量。采样池内壁选用强度高、耐腐蚀、耐冲击的材料设计制作,在池内壁吃水线的上下两侧分别留有测量窗口,为使测量光线能透过窗口进入采样池,测量窗口需选用透光性能好的材料制作,为保证其密封性及制作工艺,可设计测量窗口加工成圆形,与采样池连接时用O型密封圈密封。
4 原理实验
4.1 实验搭邃
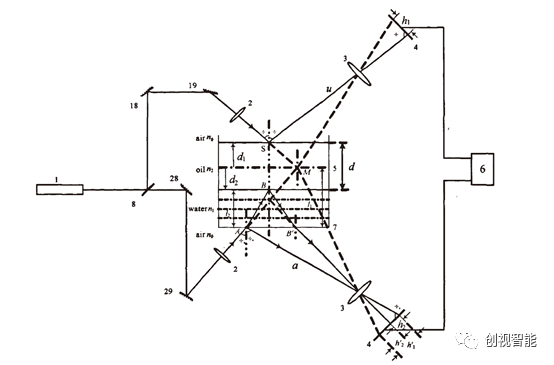
搭建图3所示的对称的斜射式的双激光三角测距系统分别对食用油与柴油样品进行测量实验,系统光源部分包括激光器1、汇聚透镜2、分光镜3、反射镜18,19,28,29。激光器1为波长λ=632.8nm、功率为7mW的He-Ne激光器,汇聚透镜2为焦距f=300mm的透镜。接收(成像)系统是由成像透镜3、探测器CCD4和数据采集与处理模块6组成。成像透镜3为f=250mm的成像透镜,探测器CCD4为DS-21-04M15型相机,象素尺寸为7.4µmx7.4µm,像素数为2048x2048,数据采集与处理模块6包括CorecoImagingX64-CL_iPro和PC计算机。样品池7为底面的光学玻璃的150mmxl00mmx30mm透明无盖的玻璃池,池中盛有水,油漂浮在水面上。在光路系统中,保证激光束、成像透镜光轴、CCD在同一平面内,严格保证激光束入射于气油界面的入射角θ1和成像透镜光轴与该入射面法线之间的夹角θ2满足:θ1+θ2=90°,θ3=90°,激光束光轴与被测面法线之间的夹角α和成像透镜光轴与被测面法线之间的夹角β满足:α+β=90°,φ=90°。

图3 斜射式的双激光三角测量系统
4.2 光斑图像采集
He-Ne激光器1发出的激光束经分光镜3后,分别经反射镜18,19和28,29反射,经透镜2汇聚由空气斜入射待测油膜上表面的点S处,在气油界面处发生散射和折射。调节汇聚透镜2的位置,使焦点位于被测油膜的表面,则此时光斑有很强的亮度和很小的半径,形成一亮点。点S处的散射光形成一椭圆形的激光斑点,成像透镜3将该光斑成像于CCD4上。反射光经第二路的透镜2汇聚由空气斜入射经玻璃(容器底表面)进入,在水空气与玻璃界面点A处发生反射和折射,折射光在玻璃水界面点C处反射和折射,点A,C处的反射光各形成一椭圆形的激光斑点,成像透镜3将该光斑成像于CCD4上。折射光斜入射油膜下表面点B处,在油水界面处发生散射。调节汇聚透2镜的位置,使焦点位于被测油膜的下表面附近,在油膜下表面上的入射点B处也形成一椭圆形的激光斑点,成像系统将该光斑成像于CCD上。
4.3 像位移测量
对采集到的光斑图像采用形态滤波等技术进行图像处理,利用质心法得到CCD上像点的质心坐标。采集食用油的S点光斑质心坐标为(1896,1186),预先标定的基准平面点M处的光斑质心坐标为(1581,1127)。光斑的质心坐标点B处为(941,1302),点A处为(1681,1352),点C处为(1511,1321),标定点M处的光斑的质心坐标为(235,1917)。利用两点之间的距离公式进而可得到上下两个光斑像点相对于基准点的像位移量分别为h1=2.3715mm和h2=h'1-h'2=11.0154mm-1.2787mm-4.2203mm = 5.5163mm(h'2 = h'bc+h'ac)。
采集柴油实验的S处的光斑质心坐标为(1601,1107,)预先标定的基准平面点M处的光斑的质心坐标为(1694,1133),光斑的质心坐标点B处为(1164,952)、点A处为(1768,1027)、点C处为(1611,1002),标定点M处的光斑的质心坐标为(261,875)。利用两点之间的距离公式进而可得到上下两个光斑像点相对于基准点的像位移量分别为h1=0.7146m和h2 =h'1-h'2=11.2084mm-1.1764mm-3.3284mm=6.7035mm。
4.4 数据处理
根据得到的光斑在CCD上相应的位移h,数据处理模块利用式d=kh进行计算,可得到油膜上下表面相对于点M的位移d1和d2,式中d1=(u-f)h1cosα/f=k1h1,d2=l1-l2=k'1h'1-kbch'bc-kach'ac , l1=k'1h'1=(α-f)cosθ1h'1/f , l2=kbch'bc+kach'ac。通过标定获得成像系统的物距a=u=508.38mm, α=45°, θ1=45°, f=250mm,空气折射率n0=1,水的折射率为n1=1.33,玻璃折射率为n3=1.5,计算得到食用油实验的d1=1.7331mm, d2=1.3884mm,食用油油膜厚度为3.1215mm。柴油实验的d1=0.5222mm, d2=2.7008mm,柴油油膜厚度为3.23mm。
5 结语
根据食用油、柴油油膜厚度测量试验证明,基于激光三角法的油膜厚度测量方法以及设计的测量系统可以获得油膜厚度信息,其测量原理可行。但此方法在海上应用还需在标体设计、数据传输、以及光学窗口防污等问题开展深入研究,而测量方法方面在今后的研究工作中应继续开展油膜动态测量与数据处理方法的研究。主要开展以下研究工作:
(1)深入研究溢油油膜相关特性,加强三角法溢油油膜厚度测量范围与溢油种类的应用适应性。
(2)注重关键技术的实验研究。模拟真实海况下海面波动的抑止方法试验,在扰动下CCD像面位移信号的同步提取、信息处理、数据统计算法等技术方法开展深入研究。
参考文献:
[1] 陈琳.基于激光测距的三坐标测量系统研究 [j]光学仪器,2002,24(2):7-12.
[2] 金国藩,李景镇激光测量学[M).北京:科学出版社,1998:719一724.
[3] 邹振书,书非接触测量激光光学探头 [j]光学精密工程.1997,5(3):83-89.
[4] 郝煜栋,赵洋,李达成光学投影式三维轮 廓测量技术光学技术综述[j].光学技术,1998,(5):57-69.
[5] 牛小兵,林玉池,赵美蓉等.光栅投影三维轮廓测量及关键技术分析[J].光电子·激光2,002,13(9):109-112.
[6] 司书春,王蕴珊,徐建强.移相比轮廓测量法位移误差的计算机模拟校正[J].光电子·激光20,01,12(8):867一868.
[7] Kordyban E. instrumentation to measure theoil thickness on a wavy water surface. Rev.Sci.instrum.,1978,49,1574一 1578.
[8] Beaucoudrey N D, Schott P, Bourlier C.Detection of oil slicks on sea surface depending on layer thickness and sensorfrequency. In: Proceedings of IEEE Conference on Geoscience and Remote SensingSymposiurn,2003,2741- 2743.
