【行业应用】评估晶圆键合界面的结合强度

2021-12-31 09:52
403

三维芯片(3D-IC)在晶圆生产、封装和使用过程中会遇到复杂的应力状态,如残余应力、热加工产生的热应力、化学机械抛光(CMP)过程中的剪切力、划片工艺对边缘冲击力、硅基底减薄过程中的弯曲应力等。这些潜在的失效场景都要求芯片中各膜层之间具有优良的结合力,因此有必要对晶圆的键合界面结合强度进行评估,这对工艺制程和最终产品稳定工作有重要意义。

目前,半导体芯片的膜层间结合力鉴定方法主要包括双悬臂梁实验(DCB)和四点弯曲(4PB)等方法。其中,DCB方法仅可测试I型正向力下膜的结合能;而4PB方法测试时力学状态比较复杂,为I型正拉和Ⅱ型剪切混合型;界面的强度与应力状态密切相关,应力状态不同,界面的结合强度也会不同。除此之外,目前实验室尚无定量测试剪切力下结合力的方法。

基于此,本申请实施例提供了一种半导体芯片膜层间结合力测试工具组件,可实现Ⅱ型和Ⅲ型剪切力作用下半导体芯片膜层间结合强度的定量测试。


图1


如图所示,本申请实施例提供的半导体芯片膜层间结合力测试工具组件,包括:

第一夹持部11和第二夹持部12,所述第一夹持部11具有第一夹持面111,所述第二夹持部12具有第二夹持面122,所述第一夹持面111和所述第二夹持面122分别用于贴附待测半导体芯片的与膜层间结合界面相平行的两个彼此相对的表面。

图2


图3

在测试期间,所述第一夹持面111和所述第二夹持面122彼此相对。所述第一夹持面111和所述第二夹持面122之间的距离(即沿垂直所述第一夹持面和所述第二夹持面方向上的距离)可以根据待测半导体芯片的厚度进行调节。所述第一夹持部11和所述第二夹持部12之间沿所述一对指向相反的作用力的方向上的相对移动距离可以由力学试验设备内部的尺寸决定。应当理解,在没有贴附待测半导体芯片的情况下,所述第一夹持部11和所述第二夹持部12之间是分离的;在贴附待测半导体芯片的情况下,所述第一夹持部11和所述第二夹持部12之间在垂直于所述第一夹持面111/所述第二夹持面122的方向可以具有重叠区域,所述待测半导体芯片贴附在所述重叠区域处。

在一些实施例中,所述待测半导体芯片例如为3D NAND存储器芯片(即三维与非型存储器芯片);如此,本申请实施例提供的所述半导体芯片膜层间结合力测试工具组件具体为一种定量测试3DNAND芯片抵抗纯剪切失效的实验装置的至少一部分。在其他一些实施例中,所述待测半导体芯片可以为任意一内部具有膜层间结合界面的芯片。这里,膜层间结合界面可以为晶圆键合界面;所述结合力也可以称为键合力,是膜层之间通过离子键、共价键、范德瓦耳斯键和金属键形成的相互作用力;任何薄膜要发挥功能的前提是附着强度的高低,附着强度不高的薄膜,在使用过程中将会面临失效风险,因此膜层结合力强度是薄膜性能的重要指标。


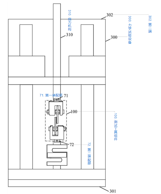
在实际应用中,记录所述半导体芯片的膜层间发生撕开型裂纹时的剪切力大小,并对失效界面进行界面分析。在此基础上,本申请实施例还提供了一种测试系统。如图所示,所述测试系统,包括:如上述实施例中任意一实施例所述的半导体芯片膜层间结合力测试工具组件100,以及装配所述半导体芯片膜层间结合力测试工具组件100的力学试验设备300。

所述力学试验设备300具体可以为万能力学试验机。所述力学试验设备300,还可以包括:位于所述第一端301侧的载荷传感器以及位于所述第二端302侧的位移传感器。具体地,所述载荷传感器例如位于所述半导体芯片膜层间结合力测试工具组件100与所述第一端301之间,而所述位移传感器例如位于所述半导体芯片膜层间结合力测试工具组件100与所述第二端302之间。所述载荷传感器用于感测产生所述滑开型裂纹或所述撕开型裂纹时,所述作用力的大小;在实际应用中,具体可以体现为发生作用力突变和/或位移突变时对应的作用力大小。所述位移传感器用于感测产生所述滑开型裂纹或所述撕开型裂纹时,裂纹的尺寸大小;在实际应用中,具体可以体现为发生作用力突变和/或位移突变时对应的所述第一夹持部11和所述第二夹持部12之间的相对位移大小。

原文说明:本文内容节选自网络公开专利(CN213633127U)。


END.jpg

文首-无水印.jpg


往期推荐
电话咨询:400-660-9896
会员中心